| Availability: | |
|---|---|
| Quantity: | |
BMSY-315-E6-B-EE-D
Xeriwell or Others
| Item: | Hydraulic Motor | Type: | Low Speed High Torque |
|---|---|---|---|
| Model No.: | BMSY-315-E6-B-EE-D | Displacement: | 315 Ml/r |
| Highlight: | Low Speed orbit hydraulic motor,High Torque orbit hydraulic motor,BMSY Series orbit motor | ||
Orbital Motors, Low Speed, High Torque Motors, BMSY series, BMSY-315-E6-B-EE-D
Quick review:
BMSY315E2DED
low speed, high torque hydraulic motor.
19.20 cu. in. / rev displacement.
Maximum pressure 1766 PSI continuous.
Torque 4956 in-lb. continuous.
Maximum speed 240 RPM continuous.
Flow rate 34.0 GPM. 1" diameter shaft with keyway. 1-1/16-12 ports.
Magneto mounting flange.
1 year warranty
BMSY introduction:
This motor is a hydraulic disc motor, because it's widely used on kind of drills of Agricultural,Farm, Construction, Industrial and heavy machineries. it has numerous applications at any rolling, lifting, conveying applications. It's also called orbit hydraulic motor, or orbital motor, or Low Speed High Torque type motor, also disc valve hydraulic motors.
Main Specifications:
| Type | BMSY BMSE 80 | BMSY BMSE 100 | BMSY BMSE 125 | BMSY BMSE 160 | BMSY BMSE 200 | BMSY BMSE 250 | BMSY BMSE 315 | BMSY BMSE 375 | |
| Geometric displacement (cm3 /rev.) | 80.6 | 100.8 | 125 | 157.2 | 200 | 252 | 314.5 | 370 | |
| Max. speed (rpm) | cont. | 800 | 748 | 600 | 470 | 375 | 300 | 240 | 200 |
| int. | 988 | 900 | 720 | 560 | 450 | 360 | 280 | 240 | |
| Max. torque (N·m) | cont. | 190 | 240 | 310 | 316 | 400 | 450 | 560 | 536 |
| int. | 240 | 300 | 370 | 430 | 466 | 540 | 658 | 645 | |
| peak | 260 | 320 | 400 | 472 | 650 | 690 | 740 | 751 | |
| Max. output (kW) | cont. | 15.9 | 18.8 | 19.5 | 15.6 | 15.7 | 14.1 | 14.1 | 11.8 |
| int. | 20.1 | 23.5 | 23.2 | 21.2 | 18.3 | 17 | 18.9 | 17 | |
| Max. pressure drop (MPa) | cont. | 17.5 | 17.5 | 17.5 | 15 | 14 | 12.5 | 12 | 10 |
| int. | 21 | 21 | 21 | 21 | 16 | 16 | 14 | 12 | |
| peak | 22.5 | 22.5 | 22.5 | 22.5 | 22.5 | 20 | 18.5 | 14 | |
| Max. flow (L/min) | cont. | 65 | 75 | 75 | 75 | 75 | 75 | 75 | 75 |
| int. | 80 | 90 | 90 | 90 | 90 | 90 | 90 | 90 | |
| Max. inlet pressure (MPa) | cont. | 25 | 25 | 25 | 25 | 25 | 25 | 25 | 25 |
| int. | 30 | 30 | 30 | 30 | 30 | 30 | 30 | 30 | |
| Weight (kg) | 9.8 | 10 | 10.3 | 10.7 | 11.1 | 11.6 | 12.3 | 12.6 | |
* Continuous pressure :Max. value of operating motor continuously.
* Intermittent pressure :Max. value of operating motor in 6 seconds per minute.
* Peak pressure:Max. value of operating motor in 0.6 second per minute.
Xeriwell BMSY series motors use a two-piece rotor design. Seven precision rollers added to the lobes of the outer ring of the gear set provide sliding contact points which act as roller bearings and reduce friction. This increases mechanical efficiency and reduces wear in systems specially with low fluid viscosity, requiring lower pressure at start-up and providing superior drive life and smoother performance at all speeds.
The disc distributor valve has been separated from the output shaft and is driven synchronously by a dedicated short valve drive ensuring that the individual chambers of the motor are filled and emptied precisely. This allows for higher permissible pressure and torque. The output shaft tapered roller bearings permit high axial and radial forces offering a smooth operation during low pressure start up and high pressure operation.
The BMSY series motors can be supplied with various options. The standard motor mount where the mounting flange is located as close to the output shaft as possible supports the motor close to the shaft load. In traction drive applications, loads can be positioned over the motor bearings for best bearing life. In the W, W1 and WE wheel motors the mounting flanges are located near the center of the motor which permits part of the motor to be located inside the wheel or roller hub, positioning the load directly over the shaft bearing. These wheel motors provide design flexibility in many applications.
The BMSYS bearingless motor has the same drive components as the standard and wheel motors (with the exception that the motor is assembled without the output shaft, bearings and bearing housing). The bearingless motor is especially suited for applications such as gear boxes, winch drives, reel and roll drives.
Bearingless motor applications must be designed with a bearing supported internal spline to mate with the bearingless motor drive. The motors are manufactured in accordance with the requirements of the ISO 9000-2000 quality system.
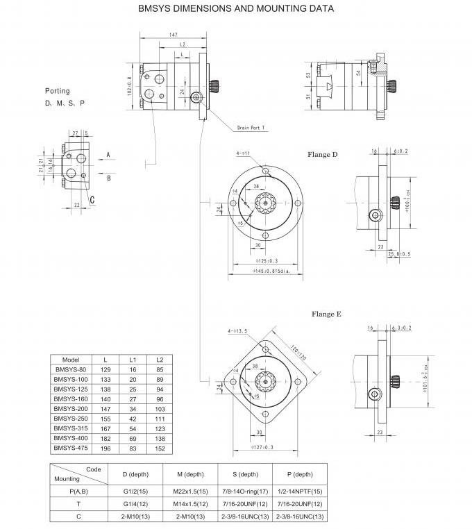
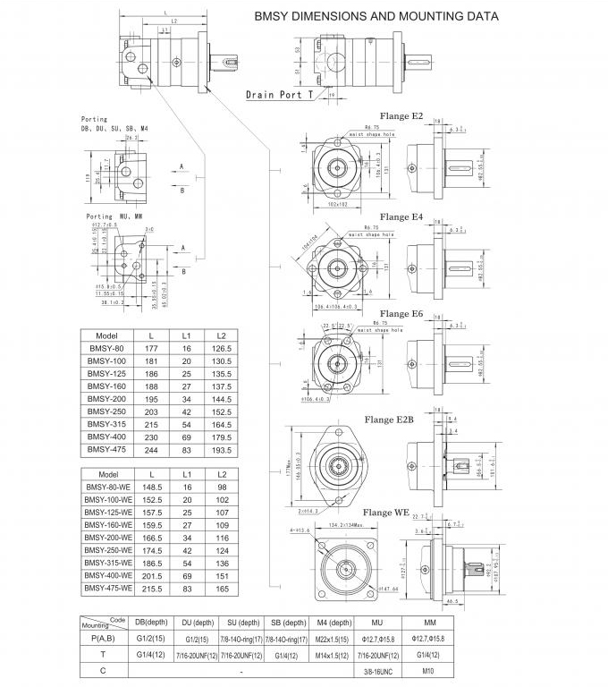
More flange, shaft, oil ports, displacement can be provided as below:
XeriWell is a dedicated provider of hydraulic products, specializing in hydraulic motors, pumps, components, and complete hydraulic systems. Positioned as a trusted supplier to the global market, we focus on delivering innovative and reliable hydraulic solutions that meet the highest standards. With a commitment to serving clients worldwide, XeriWell provides tailored solutions that address the unique hydraulic needs of any region, supporting industries with high-quality, dependable performance.
At XeriWell, we bring extensive expertise to the hydraulic industry, grounded in a deep understanding of industry standards and certifications that ensure top-quality products and services. Our team of specialized hydraulic engineers is well-versed in international standards, rigorously following certifications and guidelines to meet diverse market requirements. With an average of over 10 years of experience, our professionals have the knowledge to handle complex projects and offer fully customizable solutions.
XeriWell offers a comprehensive range of hydraulic products, including hydraulic motors, pumps, components, complete hydraulic systems, and various other hydraulic parts to meet diverse industry needs. In addition to our extensive product line, we provide tailored hydraulic system solutions, designed to meet each client's unique specifications. Our customization services save clients valuable time by eliminating the need to source multiple suppliers, delivering fully integrated and efficient solutions for their hydraulic applications.
XeriWell's core competitive advantage lies in our technical expertise. Unlike standard suppliers, we are a technology-driven company focused not only on sourcing high-quality hydraulic products but also on offering strategic guidance and expert recommendations to our clients. This technical strength, combined with our comprehensive product range and customization capabilities, allows us to deliver hydraulic solutions that truly add value and meet the specific needs of a global clientele.
At XeriWell, our vision is to be a leading global provider of innovative and reliable hydraulic solutions that drive industry progress and customer success. We are committed to excellence, integrity, and customer-centric service, valuing strong partnerships and continuous improvement. Our goal is to empower our clients by delivering high-quality, tailored solutions that meet evolving industry demands, fostering a future where hydraulic technology is seamlessly integrated, efficient, and sustainable for all.
At XeriWell, we offer a comprehensive range of hydraulic components, including hydraulic motors, pumps, accessories, valves and more, with options for both original and high-quality domestic alternatives. Backed by a robust supply chain, we are able to meet the vast majority of our clients'procurement needs, from standard models to non-standard and even discontinued products. Additionally, we provide fully customized services and solutions tailored to specific requirements, ensuring clients receive precisely the products and configurations needed for optimal performance. Our commitment to flexibility and reliability makes XeriWell a trusted partner for all hydraulic sourcing and customization needs.
Ningbo Machine Hardware
Ningbo Engineering & Construction Machinery
Ningbo Cutting Machine
Ningbo Pipe Fittings
Ningbo Apparel
Ningbo Auto Parts & Accessories
Ningbo Stationery
Zhedong Valve
| Item: | Hydraulic Motor | Type: | Low Speed High Torque |
|---|---|---|---|
| Model No.: | BMSY-315-E6-B-EE-D | Displacement: | 315 Ml/r |
| Highlight: | Low Speed orbit hydraulic motor,High Torque orbit hydraulic motor,BMSY Series orbit motor | ||
Orbital Motors, Low Speed, High Torque Motors, BMSY series, BMSY-315-E6-B-EE-D
Quick review:
BMSY315E2DED
low speed, high torque hydraulic motor.
19.20 cu. in. / rev displacement.
Maximum pressure 1766 PSI continuous.
Torque 4956 in-lb. continuous.
Maximum speed 240 RPM continuous.
Flow rate 34.0 GPM. 1" diameter shaft with keyway. 1-1/16-12 ports.
Magneto mounting flange.
1 year warranty
BMSY introduction:
This motor is a hydraulic disc motor, because it's widely used on kind of drills of Agricultural,Farm, Construction, Industrial and heavy machineries. it has numerous applications at any rolling, lifting, conveying applications. It's also called orbit hydraulic motor, or orbital motor, or Low Speed High Torque type motor, also disc valve hydraulic motors.
Main Specifications:
| Type | BMSY BMSE 80 | BMSY BMSE 100 | BMSY BMSE 125 | BMSY BMSE 160 | BMSY BMSE 200 | BMSY BMSE 250 | BMSY BMSE 315 | BMSY BMSE 375 | |
| Geometric displacement (cm3 /rev.) | 80.6 | 100.8 | 125 | 157.2 | 200 | 252 | 314.5 | 370 | |
| Max. speed (rpm) | cont. | 800 | 748 | 600 | 470 | 375 | 300 | 240 | 200 |
| int. | 988 | 900 | 720 | 560 | 450 | 360 | 280 | 240 | |
| Max. torque (N·m) | cont. | 190 | 240 | 310 | 316 | 400 | 450 | 560 | 536 |
| int. | 240 | 300 | 370 | 430 | 466 | 540 | 658 | 645 | |
| peak | 260 | 320 | 400 | 472 | 650 | 690 | 740 | 751 | |
| Max. output (kW) | cont. | 15.9 | 18.8 | 19.5 | 15.6 | 15.7 | 14.1 | 14.1 | 11.8 |
| int. | 20.1 | 23.5 | 23.2 | 21.2 | 18.3 | 17 | 18.9 | 17 | |
| Max. pressure drop (MPa) | cont. | 17.5 | 17.5 | 17.5 | 15 | 14 | 12.5 | 12 | 10 |
| int. | 21 | 21 | 21 | 21 | 16 | 16 | 14 | 12 | |
| peak | 22.5 | 22.5 | 22.5 | 22.5 | 22.5 | 20 | 18.5 | 14 | |
| Max. flow (L/min) | cont. | 65 | 75 | 75 | 75 | 75 | 75 | 75 | 75 |
| int. | 80 | 90 | 90 | 90 | 90 | 90 | 90 | 90 | |
| Max. inlet pressure (MPa) | cont. | 25 | 25 | 25 | 25 | 25 | 25 | 25 | 25 |
| int. | 30 | 30 | 30 | 30 | 30 | 30 | 30 | 30 | |
| Weight (kg) | 9.8 | 10 | 10.3 | 10.7 | 11.1 | 11.6 | 12.3 | 12.6 | |
* Continuous pressure :Max. value of operating motor continuously.
* Intermittent pressure :Max. value of operating motor in 6 seconds per minute.
* Peak pressure:Max. value of operating motor in 0.6 second per minute.
Xeriwell BMSY series motors use a two-piece rotor design. Seven precision rollers added to the lobes of the outer ring of the gear set provide sliding contact points which act as roller bearings and reduce friction. This increases mechanical efficiency and reduces wear in systems specially with low fluid viscosity, requiring lower pressure at start-up and providing superior drive life and smoother performance at all speeds.
The disc distributor valve has been separated from the output shaft and is driven synchronously by a dedicated short valve drive ensuring that the individual chambers of the motor are filled and emptied precisely. This allows for higher permissible pressure and torque. The output shaft tapered roller bearings permit high axial and radial forces offering a smooth operation during low pressure start up and high pressure operation.
The BMSY series motors can be supplied with various options. The standard motor mount where the mounting flange is located as close to the output shaft as possible supports the motor close to the shaft load. In traction drive applications, loads can be positioned over the motor bearings for best bearing life. In the W, W1 and WE wheel motors the mounting flanges are located near the center of the motor which permits part of the motor to be located inside the wheel or roller hub, positioning the load directly over the shaft bearing. These wheel motors provide design flexibility in many applications.
The BMSYS bearingless motor has the same drive components as the standard and wheel motors (with the exception that the motor is assembled without the output shaft, bearings and bearing housing). The bearingless motor is especially suited for applications such as gear boxes, winch drives, reel and roll drives.
Bearingless motor applications must be designed with a bearing supported internal spline to mate with the bearingless motor drive. The motors are manufactured in accordance with the requirements of the ISO 9000-2000 quality system.
More flange, shaft, oil ports, displacement can be provided as below:
XeriWell is a dedicated provider of hydraulic products, specializing in hydraulic motors, pumps, components, and complete hydraulic systems. Positioned as a trusted supplier to the global market, we focus on delivering innovative and reliable hydraulic solutions that meet the highest standards. With a commitment to serving clients worldwide, XeriWell provides tailored solutions that address the unique hydraulic needs of any region, supporting industries with high-quality, dependable performance.
At XeriWell, we bring extensive expertise to the hydraulic industry, grounded in a deep understanding of industry standards and certifications that ensure top-quality products and services. Our team of specialized hydraulic engineers is well-versed in international standards, rigorously following certifications and guidelines to meet diverse market requirements. With an average of over 10 years of experience, our professionals have the knowledge to handle complex projects and offer fully customizable solutions.
XeriWell offers a comprehensive range of hydraulic products, including hydraulic motors, pumps, components, complete hydraulic systems, and various other hydraulic parts to meet diverse industry needs. In addition to our extensive product line, we provide tailored hydraulic system solutions, designed to meet each client's unique specifications. Our customization services save clients valuable time by eliminating the need to source multiple suppliers, delivering fully integrated and efficient solutions for their hydraulic applications.
XeriWell's core competitive advantage lies in our technical expertise. Unlike standard suppliers, we are a technology-driven company focused not only on sourcing high-quality hydraulic products but also on offering strategic guidance and expert recommendations to our clients. This technical strength, combined with our comprehensive product range and customization capabilities, allows us to deliver hydraulic solutions that truly add value and meet the specific needs of a global clientele.
At XeriWell, our vision is to be a leading global provider of innovative and reliable hydraulic solutions that drive industry progress and customer success. We are committed to excellence, integrity, and customer-centric service, valuing strong partnerships and continuous improvement. Our goal is to empower our clients by delivering high-quality, tailored solutions that meet evolving industry demands, fostering a future where hydraulic technology is seamlessly integrated, efficient, and sustainable for all.
At XeriWell, we offer a comprehensive range of hydraulic components, including hydraulic motors, pumps, accessories, valves and more, with options for both original and high-quality domestic alternatives. Backed by a robust supply chain, we are able to meet the vast majority of our clients'procurement needs, from standard models to non-standard and even discontinued products. Additionally, we provide fully customized services and solutions tailored to specific requirements, ensuring clients receive precisely the products and configurations needed for optimal performance. Our commitment to flexibility and reliability makes XeriWell a trusted partner for all hydraulic sourcing and customization needs.
Ningbo Machine Hardware
Ningbo Engineering & Construction Machinery
Ningbo Cutting Machine
Ningbo Pipe Fittings
Ningbo Apparel
Ningbo Auto Parts & Accessories
Ningbo Stationery
Zhedong Valve