| Availability: | |
|---|---|
| Quantity: | |
BMSY-315-F6-G-S
Xeriwell or Others
| Item: | Hydraulic Motor | Model No.: | BMSY-315-F6-G-S |
|---|---|---|---|
| Flange: | 6 Hole | Shaft: | 31.75mm |
| Ports: | 7/8-14 O-ring | Displacement: | 315cc |
| Speed: | 240 - 280 Rpm | Torque: | 880 - 1000 Nm |
| Max Pressure Drop: | 20 - 26 MPa | Max Flow: | 75 - 90 Lpm |
| Highlight: | 315ml/R oms hydraulic motor,6 Bolt oms hydraulic motor,6 Bolt oms 315 hydraulic motor | ||
OMS hydraulic motor 315ml/r 6-bolt flange 31.75mm 14T shaft, 7/8-14 O-ring
Quick review:
Item , Hydraulic Motor
Model No. , BMSY-315-F6-G-S
Flange , 6 hole
Shaft , 31.75mm
Ports , 7/8-14 O-ring
Displacement , 315cc
Speed , 240 - 280 rpm
Torque , 880 - 1000 Nm
Max pressure drop , 20 - 26 MPa
Max Flow , 75 - 90 Lpm
BMSY introduction:
This motor is a hydraulic disc motor, because it's widely used on kind of drills of Agricultural,Farm, Construction, Industrial and heavy machineries. it has numerous applications at any rolling, lifting, conveying applications. It's also called orbit hydraulic motor, or orbital motor, or Low Speed High Torque type motor, also disc valve hydraulic motors.
Main Specifications:
| Type | BMSY BMSE 80 | BMSY BMSE 100 | BMSY BMSE 125 | BMSY BMSE 160 | BMSY BMSE 200 | BMSY BMSE 250 | BMSY BMSE 315 | BMSY BMSE 375 | |
| Geometric displacement (cm3 /rev.) | 80.6 | 100.8 | 125 | 157.2 | 200 | 252 | 314.5 | 370 | |
| Max. speed (rpm) | cont. | 800 | 748 | 600 | 470 | 375 | 300 | 240 | 200 |
| int. | 988 | 900 | 720 | 560 | 450 | 360 | 280 | 240 | |
| Max. torque (N·m) | cont. | 190 | 240 | 310 | 316 | 400 | 450 | 560 | 536 |
| int. | 240 | 300 | 370 | 430 | 466 | 540 | 658 | 645 | |
| peak | 260 | 320 | 400 | 472 | 650 | 690 | 740 | 751 | |
| Max. output (kW) | cont. | 15.9 | 18.8 | 19.5 | 15.6 | 15.7 | 14.1 | 14.1 | 11.8 |
| int. | 20.1 | 23.5 | 23.2 | 21.2 | 18.3 | 17 | 18.9 | 17 | |
| Max. pressure drop (MPa) | cont. | 17.5 | 17.5 | 17.5 | 15 | 14 | 12.5 | 12 | 10 |
| int. | 21 | 21 | 21 | 21 | 16 | 16 | 14 | 12 | |
| peak | 22.5 | 22.5 | 22.5 | 22.5 | 22.5 | 20 | 18.5 | 14 | |
| Max. flow (L/min) | cont. | 65 | 75 | 75 | 75 | 75 | 75 | 75 | 75 |
| int. | 80 | 90 | 90 | 90 | 90 | 90 | 90 | 90 | |
| Max. inlet pressure (MPa) | cont. | 25 | 25 | 25 | 25 | 25 | 25 | 25 | 25 |
| int. | 30 | 30 | 30 | 30 | 30 | 30 | 30 | 30 | |
| Weight (kg) | 9.8 | 10 | 10.3 | 10.7 | 11.1 | 11.6 | 12.3 | 12.6 | |
* Continuous pressure :Max. value of operating motor continuously.
* Intermittent pressure :Max. value of operating motor in 6 seconds per minute.
* Peak pressure:Max. value of operating motor in 0.6 second per minute.
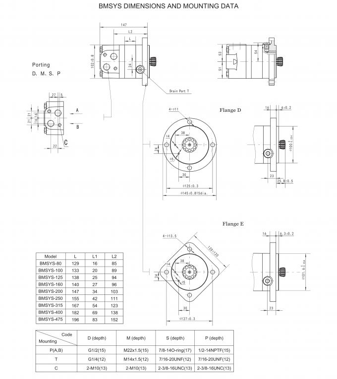
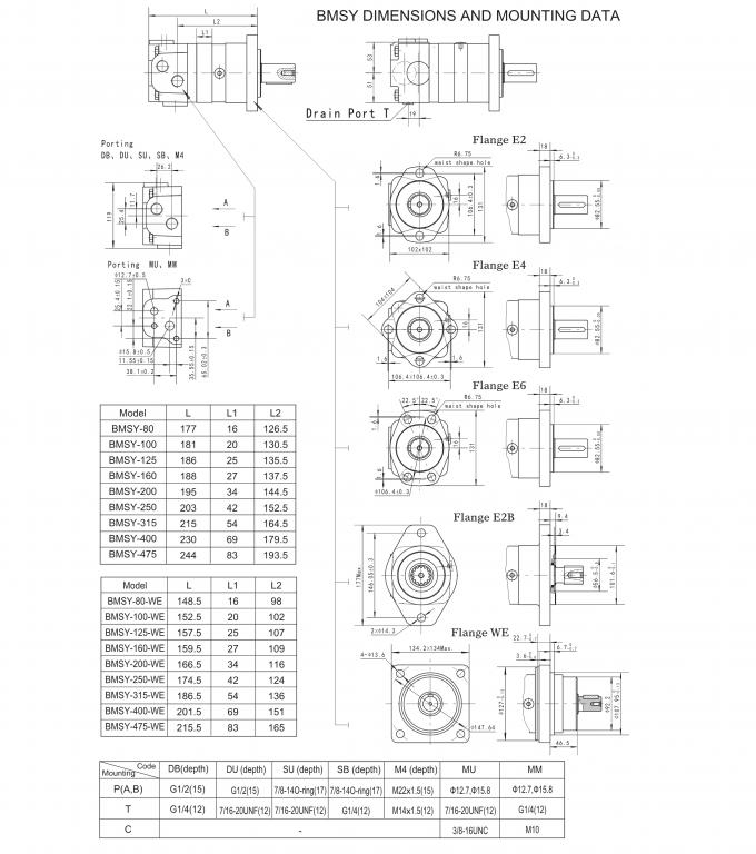
More flange, shaft, oil ports, displacement can be provided as below:
| Item: | Hydraulic Motor | Model No.: | BMSY-315-F6-G-S |
|---|---|---|---|
| Flange: | 6 Hole | Shaft: | 31.75mm |
| Ports: | 7/8-14 O-ring | Displacement: | 315cc |
| Speed: | 240 - 280 Rpm | Torque: | 880 - 1000 Nm |
| Max Pressure Drop: | 20 - 26 MPa | Max Flow: | 75 - 90 Lpm |
| Highlight: | 315ml/R oms hydraulic motor,6 Bolt oms hydraulic motor,6 Bolt oms 315 hydraulic motor | ||
OMS hydraulic motor 315ml/r 6-bolt flange 31.75mm 14T shaft, 7/8-14 O-ring
Quick review:
Item , Hydraulic Motor
Model No. , BMSY-315-F6-G-S
Flange , 6 hole
Shaft , 31.75mm
Ports , 7/8-14 O-ring
Displacement , 315cc
Speed , 240 - 280 rpm
Torque , 880 - 1000 Nm
Max pressure drop , 20 - 26 MPa
Max Flow , 75 - 90 Lpm
BMSY introduction:
This motor is a hydraulic disc motor, because it's widely used on kind of drills of Agricultural,Farm, Construction, Industrial and heavy machineries. it has numerous applications at any rolling, lifting, conveying applications. It's also called orbit hydraulic motor, or orbital motor, or Low Speed High Torque type motor, also disc valve hydraulic motors.
Main Specifications:
| Type | BMSY BMSE 80 | BMSY BMSE 100 | BMSY BMSE 125 | BMSY BMSE 160 | BMSY BMSE 200 | BMSY BMSE 250 | BMSY BMSE 315 | BMSY BMSE 375 | |
| Geometric displacement (cm3 /rev.) | 80.6 | 100.8 | 125 | 157.2 | 200 | 252 | 314.5 | 370 | |
| Max. speed (rpm) | cont. | 800 | 748 | 600 | 470 | 375 | 300 | 240 | 200 |
| int. | 988 | 900 | 720 | 560 | 450 | 360 | 280 | 240 | |
| Max. torque (N·m) | cont. | 190 | 240 | 310 | 316 | 400 | 450 | 560 | 536 |
| int. | 240 | 300 | 370 | 430 | 466 | 540 | 658 | 645 | |
| peak | 260 | 320 | 400 | 472 | 650 | 690 | 740 | 751 | |
| Max. output (kW) | cont. | 15.9 | 18.8 | 19.5 | 15.6 | 15.7 | 14.1 | 14.1 | 11.8 |
| int. | 20.1 | 23.5 | 23.2 | 21.2 | 18.3 | 17 | 18.9 | 17 | |
| Max. pressure drop (MPa) | cont. | 17.5 | 17.5 | 17.5 | 15 | 14 | 12.5 | 12 | 10 |
| int. | 21 | 21 | 21 | 21 | 16 | 16 | 14 | 12 | |
| peak | 22.5 | 22.5 | 22.5 | 22.5 | 22.5 | 20 | 18.5 | 14 | |
| Max. flow (L/min) | cont. | 65 | 75 | 75 | 75 | 75 | 75 | 75 | 75 |
| int. | 80 | 90 | 90 | 90 | 90 | 90 | 90 | 90 | |
| Max. inlet pressure (MPa) | cont. | 25 | 25 | 25 | 25 | 25 | 25 | 25 | 25 |
| int. | 30 | 30 | 30 | 30 | 30 | 30 | 30 | 30 | |
| Weight (kg) | 9.8 | 10 | 10.3 | 10.7 | 11.1 | 11.6 | 12.3 | 12.6 | |
* Continuous pressure :Max. value of operating motor continuously.
* Intermittent pressure :Max. value of operating motor in 6 seconds per minute.
* Peak pressure:Max. value of operating motor in 0.6 second per minute.
More flange, shaft, oil ports, displacement can be provided as below: