| Verfügbarkeit: | |
|---|---|
| Menge: | |
BMS / OMS / MS-Hydraulikmotor
Xeriwell oder andere
| Merkmale: | Wie M+S | Produktname: | Orbit-Hydraulikmotor BMS |
|---|---|---|---|
| Verschiebung: | 80cc -500cc | Anwendung: | Straßenkehrmaschine |
| Modellnummer: | BMS 315cc | Markenname: | Xeriwell |
| Highlight: | Orbitalhydraulikmotor,hydraulischer Drehmotor |
||
Orbit-Hydraulikmotor BMS 315 für mechanische Straßenkehrmaschinen im Straßenbau
► Charakteristische Merkmale
Die Motoren der BMS-Serie adaptieren das fortschrittliche Geroler-Zahnradsatzdesign mit Scheibenverteilungsfluss und hohem Druck. Je nach
Anforderung der Anwendung kann das Gerät in der individuellen Ausführung mit Multifunktionsfunktion geliefert werden.
1. Fortschrittliche Fertigungsgeräte für den Geroler-Zahnradsatz, die einen niedrigen Anlaufdruck nutzen, sorgen für einen reibungslosen und zuverlässigen Betrieb und einen hohen Wirkungsgrad.
2. Die Abtriebswelle ist in Kegelrollenlagern gelagert, die hohe Axial- und Radialkräfte zulassen. Die Dose bietet Kapazitäten für hohen Druck und hohes Drehmoment in einer Vielzahl von Anwendungen.
3. Das fortschrittliche Design des Scheibenverteilungsflusses, der den Betrieb mit hoher Volumeneffizienz und langer Lebensdauer automatisch ausgleichen kann, sorgt für einen reibungslosen und zuverlässigen Betrieb.
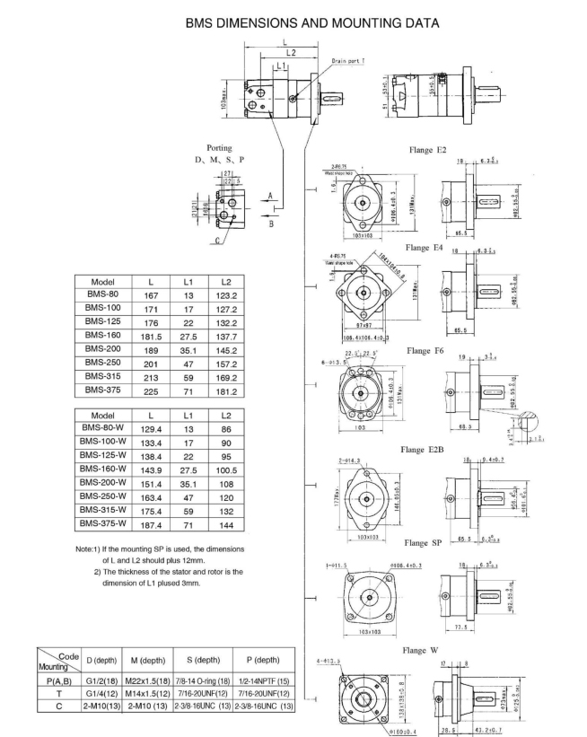
► Spezifikation
Identisch mit OMS, M+S MS, Eaton 2000-Serie
| Typ | BMS BMSE 80 |
BMS BMSE 100 |
BMS BMSE 125 |
BMS BMSE 160 |
BMS BMSE 200 |
BMS BMSE 250 |
BMS BMSE 315 |
BMS BMSE 375 |
|
| Geometrische Verschiebung (cm3/Umdrehung) |
80.6 | 100.8 | 125 | 157.2 | 200 | 252 | 314.5 | 370 | |
| Max. Geschwindigkeit (U/min) | Fortsetzung | 800 | 748 | 600 | 470 | 375 | 300 | 240 | 200 |
| int. | 988 | 900 | 720 | 560 | 450 | 360 | 280 | 240 | |
| Max. Drehmoment (N·m) | Fortsetzung | 190 | 240 | 310 | 316 | 400 | 450 | 560 | 536 |
| int. | 240 | 300 | 370 | 430 | 466 | 540 | 658 | 645 | |
| Gipfel | 260 | 320 | 400 | 472 | 650 | 690 | 740 | 751 | |
| Max. Leistung (kW) | Fortsetzung | 15.9 | 18.8 | 19.5 | 15.6 | 15.7 | 14.1 | 14.1 | 11.8 |
| int. | 20.1 | 23.5 | 23.2 | 21.2 | 18.3 | 17 | 18.9 | 17 | |
| Max. Druckabfall (MPa) | Fortsetzung | 17.5 | 17.5 | 17.5 | 15 | 14 | 12.5 | 12 | 10 |
| int. | 21 | 21 | 21 | 21 | 16 | 16 | 14 | 12 | |
| Gipfel | 22.5 | 22.5 | 22.5 | 22.5 | 22.5 | 20 | 18.5 | 14 | |
| Max. Durchfluss (l/min) | Fortsetzung | 65 | 75 | 75 | 75 | 75 | 75 | 75 | 75 |
| int. | 80 | 90 | 90 | 90 | 90 | 90 | 90 | 90 | |
| Max. Eingangsdruck (MPa) | Fortsetzung | 25 | 25 | 25 | 25 | 25 | 25 | 25 | 25 |
| int. | 30 | 30 | 30 | 30 | 30 | 30 | 30 | 30 | |
| Gewicht (kg) | 9.8 | 10 | 10.3 | 10.7 | 11.1 | 11.6 | 12.3 | 12.6 | |
XeriWell ist ein engagierter Anbieter von Hydraulikprodukten, der sich auf Hydraulikmotoren, Pumpen, Komponenten und komplette Hydrauliksysteme spezialisiert hat. Als vertrauenswürdiger Lieferant für den Weltmarkt konzentrieren wir uns auf die Bereitstellung innovativer und zuverlässiger Hydrauliklösungen, die den höchsten Standards entsprechen. Mit der Verpflichtung, Kunden weltweit zu bedienen, bietet XeriWell maßgeschneiderte Lösungen, die auf die einzigartigen hydraulischen Anforderungen jeder Region zugeschnitten sind, und unterstützt Industrien mit hochwertiger, zuverlässiger Leistung.
Bei XeriWell bringen wir umfangreiches Fachwissen in die Hydraulikindustrie ein, das auf einem tiefen Verständnis der Industriestandards und Zertifizierungen basiert, die Produkte und Dienstleistungen von höchster Qualität gewährleisten. Unser Team aus spezialisierten Wasserbauingenieuren ist mit internationalen Standards bestens vertraut und hält sich strikt an Zertifizierungen und Richtlinien, um den unterschiedlichen Marktanforderungen gerecht zu werden. Mit durchschnittlich über 10 Jahren Erfahrung verfügen unsere Fachleute über das Wissen, komplexe Projekte abzuwickeln und vollständig anpassbare Lösungen anzubieten.
XeriWell bietet ein umfassendes Sortiment an Hydraulikprodukten, darunter Hydraulikmotoren, Pumpen, Komponenten, komplette Hydrauliksysteme und verschiedene andere Hydraulikteile, um den unterschiedlichen Branchenanforderungen gerecht zu werden. Zusätzlich zu unserem umfangreichen Produktsortiment bieten wir maßgeschneiderte Hydrauliksystemlösungen an, die auf die individuellen Spezifikationen jedes Kunden zugeschnitten sind. Unsere kundenspezifischen Dienstleistungen sparen Kunden wertvolle Zeit, da sie nicht mehr mehrere Lieferanten beauftragen müssen und vollständig integrierte und effiziente Lösungen für ihre Hydraulikanwendungen liefern.
Der zentrale Wettbewerbsvorteil von XeriWell liegt in unserem technischen Know-how. Im Gegensatz zu Standardlieferanten sind wir ein technologieorientiertes Unternehmen, das sich nicht nur auf die Beschaffung hochwertiger Hydraulikprodukte konzentriert, sondern auch darauf, unseren Kunden strategische Beratung und Expertenempfehlungen anzubieten. Diese technische Stärke, kombiniert mit unserer umfassenden Produktpalette und unseren Anpassungsmöglichkeiten, ermöglicht es uns, Hydrauliklösungen zu liefern, die einen echten Mehrwert bieten und die spezifischen Bedürfnisse einer globalen Kundschaft erfüllen.
Unsere Vision bei XeriWell ist es, ein weltweit führender Anbieter innovativer und zuverlässiger Hydrauliklösungen zu sein, die den Branchenfortschritt und den Kundenerfolg vorantreiben. Wir stehen für Exzellenz, Integrität und kundenorientierten Service und legen Wert auf starke Partnerschaften und kontinuierliche Verbesserung. Unser Ziel ist es, unsere Kunden zu stärken, indem wir hochwertige, maßgeschneiderte Lösungen liefern, die den sich verändernden Branchenanforderungen gerecht werden und eine Zukunft fördern, in der Hydrauliktechnologie nahtlos integriert, effizient und nachhaltig für alle ist.
Bei XeriWell bieten wir ein umfassendes Sortiment an Hydraulikkomponenten an, darunter Hydraulikmotoren, Pumpen, Zubehör, Ventile und mehr, mit Optionen sowohl für Original- als auch für hochwertige Haushaltsalternativen. Dank einer robusten Lieferkette sind wir in der Lage, den Großteil des Beschaffungsbedarfs unserer Kunden zu erfüllen, von Standardmodellen bis hin zu nicht standardmäßigen und sogar abgekündigten Produkten. Darüber hinaus bieten wir vollständig maßgeschneiderte Dienstleistungen und Lösungen an, die auf spezifische Anforderungen zugeschnitten sind. So stellen wir sicher, dass Kunden genau die Produkte und Konfigurationen erhalten, die sie für eine optimale Leistung benötigen. Unser Engagement für Flexibilität und Zuverlässigkeit macht XeriWell zu einem vertrauenswürdigen Partner für alle hydraulischen Beschaffungs- und Anpassungsanforderungen.
Ningbo-Maschinenhardware
Ningbo Engineering & Baumaschinen
Ningbo-Schneidemaschine
Ningbo-Rohrverbindungsstücke
Ningbo-Bekleidung
Ningbo Autoteile und Zubehör
Ningbo-Briefpapier
Zhedong-Ventil
| Merkmale: | Wie M+S | Produktname: | Orbit-Hydraulikmotor BMS |
|---|---|---|---|
| Verschiebung: | 80cc -500cc | Anwendung: | Straßenkehrmaschine |
| Modellnummer: | BMS 315cc | Markenname: | Xeriwell |
| Highlight: | Orbitalhydraulikmotor,hydraulischer Drehmotor |
||
Orbit-Hydraulikmotor BMS 315 für mechanische Straßenkehrmaschinen im Straßenbau
► Charakteristische Merkmale
Die Motoren der BMS-Serie adaptieren das fortschrittliche Geroler-Zahnradsatzdesign mit Scheibenverteilungsfluss und hohem Druck. Das Gerät kann je nach
Anwendungsanforderung in der individuellen Variante mit Bedien-Multifunktion geliefert werden.
1. Fortschrittliche Fertigungsgeräte für den Geroler-Zahnradsatz, die einen niedrigen Anlaufdruck nutzen, sorgen für einen reibungslosen und zuverlässigen Betrieb und einen hohen Wirkungsgrad.
2. Die Abtriebswelle ist in Kegelrollenlagern gelagert, die hohe Axial- und Radialkräfte zulassen. Die Dose bietet Kapazitäten für hohen Druck und hohes Drehmoment in einer Vielzahl von Anwendungen.
3. Das fortschrittliche Design des Scheibenverteilungsflusses, der den Betrieb mit hoher Volumeneffizienz und langer Lebensdauer automatisch ausgleichen kann, sorgt für einen reibungslosen und zuverlässigen Betrieb.
► Spezifikation
Identisch mit OMS, M+S MS, Eaton 2000-Serie
| Typ | BMS BMSE 80 |
BMS BMSE 100 |
BMS BMSE 125 |
BMS BMSE 160 |
BMS BMSE 200 |
BMS BMSE 250 |
BMS BMSE 315 |
BMS BMSE 375 |
|
| Geometrische Verschiebung (cm3/Umdrehung) |
80.6 | 100.8 | 125 | 157.2 | 200 | 252 | 314.5 | 370 | |
| Max. Geschwindigkeit (U/min) | Fortsetzung | 800 | 748 | 600 | 470 | 375 | 300 | 240 | 200 |
| int. | 988 | 900 | 720 | 560 | 450 | 360 | 280 | 240 | |
| Max. Drehmoment (N·m) | Fortsetzung | 190 | 240 | 310 | 316 | 400 | 450 | 560 | 536 |
| int. | 240 | 300 | 370 | 430 | 466 | 540 | 658 | 645 | |
| Gipfel | 260 | 320 | 400 | 472 | 650 | 690 | 740 | 751 | |
| Max. Leistung (kW) | Fortsetzung | 15.9 | 18.8 | 19.5 | 15.6 | 15.7 | 14.1 | 14.1 | 11.8 |
| int. | 20.1 | 23.5 | 23.2 | 21.2 | 18.3 | 17 | 18.9 | 17 | |
| Max. Druckabfall (MPa) | Fortsetzung | 17.5 | 17.5 | 17.5 | 15 | 14 | 12.5 | 12 | 10 |
| int. | 21 | 21 | 21 | 21 | 16 | 16 | 14 | 12 | |
| Gipfel | 22.5 | 22.5 | 22.5 | 22.5 | 22.5 | 20 | 18.5 | 14 | |
| Max. Durchfluss (l/min) | Fortsetzung | 65 | 75 | 75 | 75 | 75 | 75 | 75 | 75 |
| int. | 80 | 90 | 90 | 90 | 90 | 90 | 90 | 90 | |
| Max. Eingangsdruck (MPa) | Fortsetzung | 25 | 25 | 25 | 25 | 25 | 25 | 25 | 25 |
| int. | 30 | 30 | 30 | 30 | 30 | 30 | 30 | 30 | |
| Gewicht (kg) | 9.8 | 10 | 10.3 | 10.7 | 11.1 | 11.6 | 12.3 | 12.6 | |
XeriWell ist ein engagierter Anbieter von Hydraulikprodukten, der sich auf Hydraulikmotoren, Pumpen, Komponenten und komplette Hydrauliksysteme spezialisiert hat. Als vertrauenswürdiger Lieferant für den Weltmarkt konzentrieren wir uns auf die Bereitstellung innovativer und zuverlässiger Hydrauliklösungen, die den höchsten Standards entsprechen. Mit der Verpflichtung, Kunden weltweit zu bedienen, bietet XeriWell maßgeschneiderte Lösungen, die auf die einzigartigen hydraulischen Anforderungen jeder Region zugeschnitten sind, und unterstützt Industrien mit hochwertiger, zuverlässiger Leistung.
Bei XeriWell bringen wir umfangreiches Fachwissen in die Hydraulikindustrie ein, das auf einem tiefen Verständnis der Industriestandards und Zertifizierungen basiert, die Produkte und Dienstleistungen von höchster Qualität gewährleisten. Unser Team aus spezialisierten Wasserbauingenieuren ist mit internationalen Standards bestens vertraut und hält sich strikt an Zertifizierungen und Richtlinien, um den unterschiedlichen Marktanforderungen gerecht zu werden. Mit durchschnittlich über 10 Jahren Erfahrung verfügen unsere Fachleute über das Wissen, komplexe Projekte abzuwickeln und vollständig anpassbare Lösungen anzubieten.
XeriWell bietet ein umfassendes Sortiment an Hydraulikprodukten, darunter Hydraulikmotoren, Pumpen, Komponenten, komplette Hydrauliksysteme und verschiedene andere Hydraulikteile, um den unterschiedlichen Branchenanforderungen gerecht zu werden. Zusätzlich zu unserem umfangreichen Produktsortiment bieten wir maßgeschneiderte Hydrauliksystemlösungen an, die auf die individuellen Spezifikationen jedes Kunden zugeschnitten sind. Unsere kundenspezifischen Dienstleistungen sparen Kunden wertvolle Zeit, da sie nicht mehr mehrere Lieferanten beauftragen müssen und vollständig integrierte und effiziente Lösungen für ihre Hydraulikanwendungen liefern.
Der zentrale Wettbewerbsvorteil von XeriWell liegt in unserem technischen Know-how. Im Gegensatz zu Standardlieferanten sind wir ein technologieorientiertes Unternehmen, das sich nicht nur auf die Beschaffung hochwertiger Hydraulikprodukte konzentriert, sondern auch darauf, unseren Kunden strategische Beratung und Expertenempfehlungen anzubieten. Diese technische Stärke, kombiniert mit unserer umfassenden Produktpalette und unseren Anpassungsmöglichkeiten, ermöglicht es uns, Hydrauliklösungen zu liefern, die einen echten Mehrwert bieten und die spezifischen Bedürfnisse einer globalen Kundschaft erfüllen.
Unsere Vision bei XeriWell ist es, ein weltweit führender Anbieter innovativer und zuverlässiger Hydrauliklösungen zu sein, die den Branchenfortschritt und den Kundenerfolg vorantreiben. Wir stehen für Exzellenz, Integrität und kundenorientierten Service und legen Wert auf starke Partnerschaften und kontinuierliche Verbesserung. Unser Ziel ist es, unsere Kunden zu stärken, indem wir hochwertige, maßgeschneiderte Lösungen liefern, die den sich verändernden Branchenanforderungen gerecht werden und eine Zukunft fördern, in der Hydrauliktechnologie nahtlos integriert, effizient und nachhaltig für alle ist.
Bei XeriWell bieten wir ein umfassendes Sortiment an Hydraulikkomponenten an, darunter Hydraulikmotoren, Pumpen, Zubehör, Ventile und mehr, mit Optionen sowohl für Original- als auch für hochwertige Haushaltsalternativen. Dank einer robusten Lieferkette sind wir in der Lage, den Großteil des Beschaffungsbedarfs unserer Kunden zu erfüllen, von Standardmodellen bis hin zu nicht standardmäßigen und sogar abgekündigten Produkten. Darüber hinaus bieten wir vollständig maßgeschneiderte Dienstleistungen und Lösungen an, die auf spezifische Anforderungen zugeschnitten sind. So stellen wir sicher, dass Kunden genau die Produkte und Konfigurationen erhalten, die sie für eine optimale Leistung benötigen. Unser Engagement für Flexibilität und Zuverlässigkeit macht XeriWell zu einem vertrauenswürdigen Partner für alle hydraulischen Beschaffungs- und Anpassungsanforderungen.
Ningbo-Maschinenhardware
Ningbo Engineering & Baumaschinen
Ningbo-Schneidemaschine
Ningbo-Rohrverbindungsstücke
Ningbo-Bekleidung
Ningbo Autoteile und Zubehör
Ningbo-Briefpapier
Zhedong-Ventil