Reliable High Pressure Hydraulic Motor , Gerotor Hydraulic Motor BMS 250 For Machinery
You are here: Home » Products » Hydraulic Motor » Ungrouped » Reliable High Pressure Hydraulic Motor , Gerotor Hydraulic Motor BMS 250 For Machinery

loading

Reliable High Pressure Hydraulic Motor , Gerotor Hydraulic Motor BMS 250 For Machinery

Pictures are for display only, please contact us to choose the right product for you.
Availability:
Quantity:
facebook sharing button
twitter sharing button
line sharing button
wechat sharing button
linkedin sharing button
pinterest sharing button
whatsapp sharing button
kakao sharing button
snapchat sharing button
telegram sharing button
sharethis sharing button
  • BMS 250 Orbital motor

  • Xeriwell or Others

Product Name: Hydraulic Gear Motors Max Working Temperature: 80°
Displacement: 80cc,100cc,125cc,160cc......500cc Applications: Agricultural Machine, Transportation, Construction Equipment, Metallurgical, Marine, Etc.
Replacement: OMS, Eaton 2000 Series, M+S MS Etc Max Allowable Back Pressure: 10Mpa
Highlight:

lsht hydraulic motor

,

omt hydraulic motor


Low Speed High Torque Hydraulic Motor BMS 250 For Construction Machinery


BMS series motor adapt the advanced Gerotor gear set design with disc distribution flow and high pressure. The unit can be supplied the individual variant in operating multifunction in accordance with requirement of applications.


Characteristic Features:

* BMS motor is a disc valve type gerolor motor.

* A variety of connection type of flange output shaft and oil port.

* Advanced design of shaft seal which can bear higher pressure.

* The output shaft adapts in tapered roller bearings that permit high axial and radial forces. Can offer capacities of     high pressure and high torque in the wide of applications.

* Advanced manufacturing devices for the Gerotor gear set which use low pressure of start-up, provide smooth         and reliable operation and high efficiency.


Main Specifications:

Type BMS
BMSE
80
BMS
BMSE
100
BMS
BMSE
125
BMS
BMSE
160
BMS
BMSE
200
BMS
BMSE
250
BMS
BMSE
315
BMS
BMSE
375
Geometric displacement
(cm3 /rev.)
80.6 100.8 125 157.2 200 252 314.5 370
Max. speed (rpm) cont. 800 748 600 470 375 300 240 200
int. 988 900 720 560 450 360 280 240
Max. torque (N·m) cont. 190 240 310 316 400 450 560 536
int. 240 300 370 430 466 540 658 645
peak 260 320 400 472 650 690 740 751
Max. output (kW) cont. 15.9 18.8 19.5 15.6 15.7 14.1 14.1 11.8
int. 20.1 23.5 23.2 21.2 18.3 17 18.9 17
Max. pressure drop (MPa) cont. 17.5 17.5 17.5 15 14 12.5 12 10
int. 21 21 21 21 16 16 14 12
peak 22.5 22.5 22.5 22.5 22.5 20 18.5 14
Max. flow (L/min) cont. 65 75 75 75 75 75 75 75
int. 80 90 90 90 90 90 90 90
Max. inlet pressure (MPa) cont. 25 25 25 25 25 25 25 25
int. 30 30 30 30 30 30 30 30
Weight (kg) 9.8 10 10.3 10.7 11.1 11.6 12.3 12.6

* Continuous pressure :Max. value of operating motor continuously.
* Intermittent pressure :Max. value of operating motor in 6 seconds per minute.
* Peak pressure:Max. value of operating motor in 0.6 second per minute.


--708-708---708

MOTOR CROSS REFERENCE TABLE

Xeriwell
HYDRAULIC
M+S
HYDRAULIC
EATON
CHAR LYNN

ROSS
TRW
WHITE
CROSS
PARKER SAM
BREVINI
BOSCH
RECROTH
BMM MM MLHK J SERIES OMM


BGM MGX
BMP/BM1 MP HP H SERIES OMP DH MF MG WP RS TC TE TB BG MGP GXP
BMR/BM2 MR HR MLHRW,RW S,T SERIES W SERIES OMR DS OMEW MB WR RE TF BR MGR GMR
BMH/BM4 MH MLHH HW HWF
OMH ME RE TG

BMS/BM5 MS MSY MLHS 2000 SERIES OMS ME RE TG HPR MGS GMS
BMT/BM6 MT MLHT MTM 6000 SERIES OMT TMT MJ

HT MGT,GMT
BMV MV MLHV 10000 SERIES OMV



MGV GMV


Applications :

conveyor drives

winches

agricultural machinery

forest machinery

cranes

sawmill equipment

lifts/elevators.


If you have an existing hydraulic system and you need torque, these hydraulic motors are ideal products. Models such as light series hydraulic motors  , heavy series hydraulic motors are available.


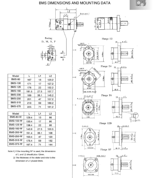
Model L L1 L2
BMS-80 167 13 123.2
BMS-100 171 17 127.2
BMS-125 176 22 132.2
BMS-160 181.5 27.5 137.7
BMS-200 189 35.1 145.2
BMS-250 201 47 157.2
BMS-315 213 59 169.2
BMS-375 225 71 181.2

Model L L1 L2
BMS-80-W 129.4 13 86
BMS-100-W 133.4 17 90
BMS-125-W 138.4 22 95
BMS-160-W 143.9 27.5 100.5
BMS-200-W 151.4 35.1 108
BMS-250-W 163.4 47 120
BMS-315-W 175.4 59 132
BMS-375-W 187.4 71 144
Note:1) If the mounting SP is used,the dimensions of L and L2 should plus 12mm.
2) The thickness of the stator and rotor is the dimension of L1 plused 9mm.


Hydraulic

Previous: 
Next: 

About XeriWell

XeriWell provides tailored solutions that address the unique hydraulic needs of any region, supporting industries with high-quality, dependable performance.

Quick Links

Products

Get In Touch

With a team of experienced hydraulic engineers and a deep...
Copyright © 2024 XeriWell All Rights Reserved. SitemapPrivacy Policy