| Availability: | |
|---|---|
| Quantity: | |
BMS250
Xeriwell or Others
| Features: | Low Speed High Torque | Product Name: | Drilling Rigs Auger Hydraulic High Torque Motor |
|---|---|---|---|
| Flange: | Two Flange | Applications: | Hydraulic Water Well Drilling Rigs Auger |
| Replacement: | , Eaton , M+S | Displacement: | 250cc |
| Highlight: | heavy duty hydraulic motor,large hydraulic motor | ||
Hydraulic Water Well Drilling Rigs Auger Hydraulic High Torque Motor OMS250
| Drilling Rigs Auger Hydraulic Motor |
| BMS / OMS / MS80 |
| BMS / OMS / MS100 |
| BMS / OMS / MS125 |
| BMS / OMS / MS160 |
| BMS / OMS / MS200 |
| BMS / OMS / MS250 |
| BMS / OMS / MS315 |
| BMS / OMS / MS400 |
► FEATURES
• Constant operating torque over a wide speed range
• Smooth running over the entire speed range
• High starting torque
• High pressure oil seals
• Low speed, high torque motors
• Roller vane type drive system – offers high volumetric efficiency and long life.
► Specification
Same than OMS, M+S MS, Eaton 2000 Series
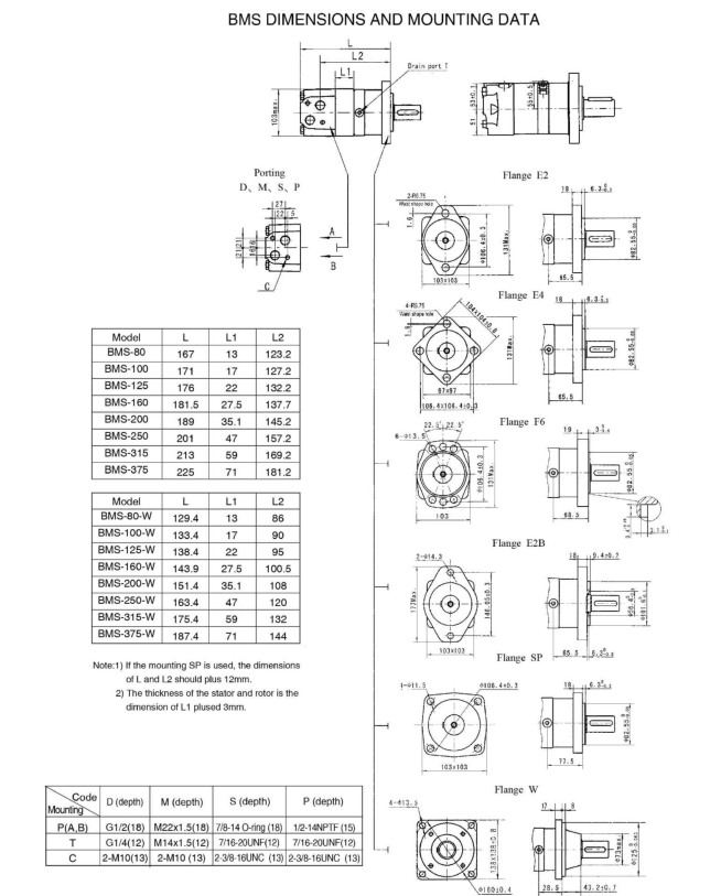
| Type | BMS 80 | BMS 100 | BMS 125 | BMS 160 | BMS 200 | BMS 250 | BMS 315 | BMS 375 | |
| Geometric displacement (cm3 /rev.) | 80.6 | 100.8 | 125 | 157.2 | 200 | 252 | 314.5 | 370 | |
| Max. speed (rpm) | cont. | 800 | 748 | 600 | 470 | 375 | 300 | 240 | 200 |
| int. | 988 | 900 | 720 | 560 | 450 | 360 | 280 | 240 | |
| Max. torque (N·m) | cont. | 190 | 240 | 310 | 316 | 400 | 450 | 560 | 536 |
| int. | 240 | 300 | 370 | 430 | 466 | 540 | 658 | 645 | |
| peak | 260 | 320 | 400 | 472 | 650 | 690 | 740 | 751 | |
| Max. output (kW) | cont. | 15.9 | 18.8 | 19.5 | 15.6 | 15.7 | 14.1 | 14.1 | 11.8 |
| int. | 20.1 | 23.5 | 23.2 | 21.2 | 18.3 | 17 | 18.9 | 17 | |
| Max. pressure drop (MPa) | cont. | 17.5 | 17.5 | 17.5 | 15 | 14 | 12.5 | 12 | 10 |
| int. | 21 | 21 | 21 | 21 | 16 | 16 | 14 | 12 | |
| peak | 22.5 | 22.5 | 22.5 | 22.5 | 22.5 | 20 | 18.5 | 14 | |
| Max. flow (L/min) | cont. | 65 | 75 | 75 | 75 | 75 | 75 | 75 | 75 |
| int. | 80 | 90 | 90 | 90 | 90 | 90 | 90 | 90 | |
| Max. inlet pressure (MPa) | cont. | 25 | 25 | 25 | 25 | 25 | 25 | 25 | 25 |
| int. | 30 | 30 | 30 | 30 | 30 | 30 | 30 | 30 | |
| Weight (kg) | 9.8 | 10 | 10.3 | 10.7 | 11.1 | 11.6 | 12.3 | 12.6 | |
| Features: | Low Speed High Torque | Product Name: | Drilling Rigs Auger Hydraulic High Torque Motor |
|---|---|---|---|
| Flange: | Two Flange | Applications: | Hydraulic Water Well Drilling Rigs Auger |
| Replacement: | , Eaton , M+S | Displacement: | 250cc |
| Highlight: | heavy duty hydraulic motor,large hydraulic motor | ||
Hydraulic Water Well Drilling Rigs Auger Hydraulic High Torque Motor OMS250
| Drilling Rigs Auger Hydraulic Motor |
| BMS / OMS / MS80 |
| BMS / OMS / MS100 |
| BMS / OMS / MS125 |
| BMS / OMS / MS160 |
| BMS / OMS / MS200 |
| BMS / OMS / MS250 |
| BMS / OMS / MS315 |
| BMS / OMS / MS400 |
► FEATURES
• Constant operating torque over a wide speed range
• Smooth running over the entire speed range
• High starting torque
• High pressure oil seals
• Low speed, high torque motors
• Roller vane type drive system – offers high volumetric efficiency and long life.
► Specification
Same than OMS, M+S MS, Eaton 2000 Series
| Type | BMS 80 | BMS 100 | BMS 125 | BMS 160 | BMS 200 | BMS 250 | BMS 315 | BMS 375 | |
| Geometric displacement (cm3 /rev.) | 80.6 | 100.8 | 125 | 157.2 | 200 | 252 | 314.5 | 370 | |
| Max. speed (rpm) | cont. | 800 | 748 | 600 | 470 | 375 | 300 | 240 | 200 |
| int. | 988 | 900 | 720 | 560 | 450 | 360 | 280 | 240 | |
| Max. torque (N·m) | cont. | 190 | 240 | 310 | 316 | 400 | 450 | 560 | 536 |
| int. | 240 | 300 | 370 | 430 | 466 | 540 | 658 | 645 | |
| peak | 260 | 320 | 400 | 472 | 650 | 690 | 740 | 751 | |
| Max. output (kW) | cont. | 15.9 | 18.8 | 19.5 | 15.6 | 15.7 | 14.1 | 14.1 | 11.8 |
| int. | 20.1 | 23.5 | 23.2 | 21.2 | 18.3 | 17 | 18.9 | 17 | |
| Max. pressure drop (MPa) | cont. | 17.5 | 17.5 | 17.5 | 15 | 14 | 12.5 | 12 | 10 |
| int. | 21 | 21 | 21 | 21 | 16 | 16 | 14 | 12 | |
| peak | 22.5 | 22.5 | 22.5 | 22.5 | 22.5 | 20 | 18.5 | 14 | |
| Max. flow (L/min) | cont. | 65 | 75 | 75 | 75 | 75 | 75 | 75 | 75 |
| int. | 80 | 90 | 90 | 90 | 90 | 90 | 90 | 90 | |
| Max. inlet pressure (MPa) | cont. | 25 | 25 | 25 | 25 | 25 | 25 | 25 | 25 |
| int. | 30 | 30 | 30 | 30 | 30 | 30 | 30 | 30 | |
| Weight (kg) | 9.8 | 10 | 10.3 | 10.7 | 11.1 | 11.6 | 12.3 | 12.6 | |