| Availability: | |
|---|---|
| Quantity: | |
BMS315
Xeriwell or Others
| Features: | Same As Eaton Char-Lynn, ,M+S | Product Name: | Gerotor Hydraulic Motor BMS |
|---|---|---|---|
| Brand Name: | Xeriwell | Model Number: | BMS / OMS / Char - Lynn 2000 Series |
| Displacement: | 80cc - 500cc | Application: | Mining,Agriculture,Forestry |
| Highlight: | lightweight hydraulic motor,omr hydraulic motor | ||
Gerotor Hydraulic Motor BMS 315 / OMS 315 / MS 315 Hydraulic Motor Components
► Characteristic Features
1. Advanced manufacturing devices for the Geroler gear set,which use low pressure of start-up, provide smooth and reliable operation and high efficiency.
2. The output shaft adapts in tapered roller bearings that permit high axial and radial forces.The can offers capacities of high pressure and high torque in the wide of applications.
3. Advanced design in disc distrbution flow, which can automatically compensate in operating with high volume efficiency and long life,provide smooth and reliable operation.
► Specification
| Xeriwell | BMS Series |
| OMS Series | |
| M+S | MS Series |
| EATON | 2000 Series |
| Type | BMS 80 | BMS 100 | BMS 125 | BMS 160 | BMS 200 | BMS 250 | BMS 315 | BMS 375 | |
| Geometric displacement (cm3 /rev.) | 80.6 | 100.8 | 125 | 157.2 | 200 | 252 | 314.5 | 370 | |
| Max. speed (rpm) | cont. | 800 | 748 | 600 | 470 | 375 | 300 | 240 | 200 |
| int. | 988 | 900 | 720 | 560 | 450 | 360 | 280 | 240 | |
| Max. torque (N·m) | cont. | 190 | 240 | 310 | 316 | 400 | 450 | 560 | 536 |
| int. | 240 | 300 | 370 | 430 | 466 | 540 | 658 | 645 | |
| peak | 260 | 320 | 400 | 472 | 650 | 690 | 740 | 751 | |
| Max. output (kW) | cont. | 15.9 | 18.8 | 19.5 | 15.6 | 15.7 | 14.1 | 14.1 | 11.8 |
| int. | 20.1 | 23.5 | 23.2 | 21.2 | 18.3 | 17 | 18.9 | 17 | |
| Max. pressure drop (MPa) | cont. | 17.5 | 17.5 | 17.5 | 15 | 14 | 12.5 | 12 | 10 |
| int. | 21 | 21 | 21 | 21 | 16 | 16 | 14 | 12 | |
| peak | 22.5 | 22.5 | 22.5 | 22.5 | 22.5 | 20 | 18.5 | 14 | |
| Max. flow (L/min) | cont. | 65 | 75 | 75 | 75 | 75 | 75 | 75 | 75 |
| int. | 80 | 90 | 90 | 90 | 90 | 90 | 90 | 90 | |
| Max. inlet pressure (MPa) | cont. | 25 | 25 | 25 | 25 | 25 | 25 | 25 | 25 |
| int. | 30 | 30 | 30 | 30 | 30 | 30 | 30 | 30 | |
| Weight (kg) | 9.8 | 10 | 10.3 | 10.7 | 11.1 | 11.6 | 12.3 | 12.6 | |
► Application
Gerotor Hydraulic Motor BMS Series widely applied in
1. Agriculture machinery
2. Fishing machinery
3. Plastic industry
4. Mining
5. Construction machinery
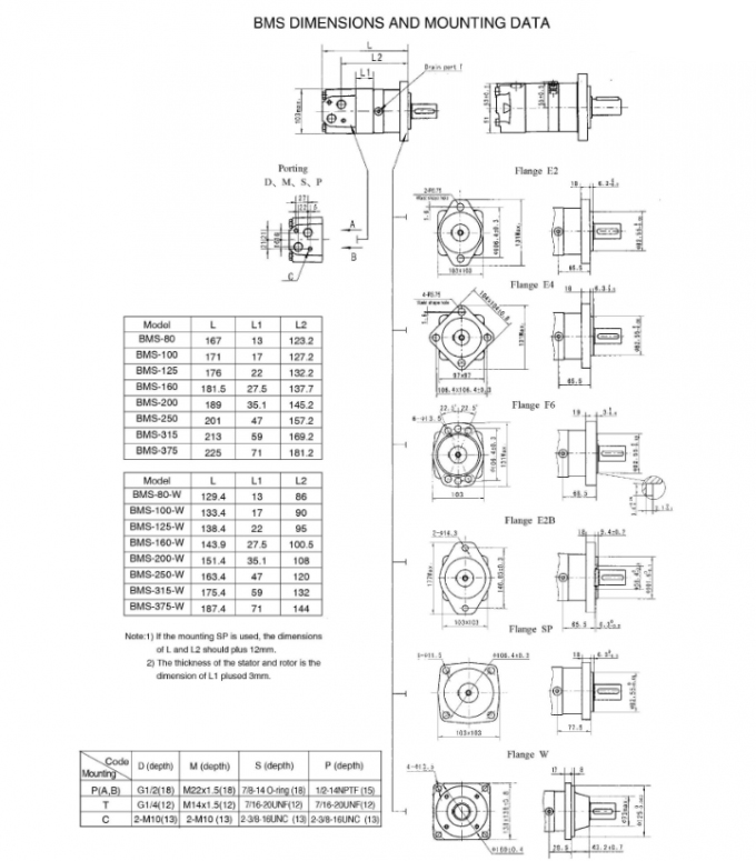
| Model | L | L1 | L2 |
| BMS-80 | 167 | 13 | 123.2 |
| BMS-100 | 171 | 17 | 127.2 |
| BMS-125 | 176 | 22 | 132.2 |
| BMS-160 | 181.5 | 27.5 | 137.7 |
| BMS-200 | 189 | 35.1 | 145.2 |
| BMS-250 | 201 | 47 | 157.2 |
| BMS-315 | 213 | 59 | 169.2 |
| BMS-375 | 225 | 71 | 181.2 |
| Model | L | L1 | L2 |
| BMS-80-W | 129.4 | 13 | 86 |
| BMS-100-W | 133.4 | 17 | 90 |
| BMS-125-W | 138.4 | 22 | 95 |
| BMS-160-W | 143.9 | 27.5 | 100.5 |
| BMS-200-W | 151.4 | 35.1 | 108 |
| BMS-250-W | 163.4 | 47 | 120 |
| BMS-315-W | 175.4 | 59 | 132 |
| BMS-375-W | 187.4 | 71 | 144 |
| Mounting Code | D (depth) | M (depth) | S (depth) | P (depth) |
| P(A,B) | G1/2(18) | M22x1.5(18) | 7/8-14 O-ring (18) | 1/2-14NPTF (15) |
| T | G1/4(12) | M14x1.5(12) | 7/16-20UNF(12) | 7/16-20UNF(12) |
| C | 2-M10(13) | 2-M10 (13) | 2-3/8-16UNC (13) | 2-3/8-16UNC (13) |
| Features: | Same As Eaton Char-Lynn, ,M+S | Product Name: | Gerotor Hydraulic Motor BMS |
|---|---|---|---|
| Brand Name: | Xeriwell | Model Number: | BMS / OMS / Char - Lynn 2000 Series |
| Displacement: | 80cc - 500cc | Application: | Mining,Agriculture,Forestry |
| Highlight: | lightweight hydraulic motor,omr hydraulic motor | ||
Gerotor Hydraulic Motor BMS 315 / OMS 315 / MS 315 Hydraulic Motor Components
► Characteristic Features
1. Advanced manufacturing devices for the Geroler gear set,which use low pressure of start-up, provide smooth and reliable operation and high efficiency.
2. The output shaft adapts in tapered roller bearings that permit high axial and radial forces.The can offers capacities of high pressure and high torque in the wide of applications.
3. Advanced design in disc distrbution flow, which can automatically compensate in operating with high volume efficiency and long life,provide smooth and reliable operation.
► Specification
| Xeriwell | BMS Series |
| OMS Series | |
| M+S | MS Series |
| EATON | 2000 Series |
| Type | BMS 80 | BMS 100 | BMS 125 | BMS 160 | BMS 200 | BMS 250 | BMS 315 | BMS 375 | |
| Geometric displacement (cm3 /rev.) | 80.6 | 100.8 | 125 | 157.2 | 200 | 252 | 314.5 | 370 | |
| Max. speed (rpm) | cont. | 800 | 748 | 600 | 470 | 375 | 300 | 240 | 200 |
| int. | 988 | 900 | 720 | 560 | 450 | 360 | 280 | 240 | |
| Max. torque (N·m) | cont. | 190 | 240 | 310 | 316 | 400 | 450 | 560 | 536 |
| int. | 240 | 300 | 370 | 430 | 466 | 540 | 658 | 645 | |
| peak | 260 | 320 | 400 | 472 | 650 | 690 | 740 | 751 | |
| Max. output (kW) | cont. | 15.9 | 18.8 | 19.5 | 15.6 | 15.7 | 14.1 | 14.1 | 11.8 |
| int. | 20.1 | 23.5 | 23.2 | 21.2 | 18.3 | 17 | 18.9 | 17 | |
| Max. pressure drop (MPa) | cont. | 17.5 | 17.5 | 17.5 | 15 | 14 | 12.5 | 12 | 10 |
| int. | 21 | 21 | 21 | 21 | 16 | 16 | 14 | 12 | |
| peak | 22.5 | 22.5 | 22.5 | 22.5 | 22.5 | 20 | 18.5 | 14 | |
| Max. flow (L/min) | cont. | 65 | 75 | 75 | 75 | 75 | 75 | 75 | 75 |
| int. | 80 | 90 | 90 | 90 | 90 | 90 | 90 | 90 | |
| Max. inlet pressure (MPa) | cont. | 25 | 25 | 25 | 25 | 25 | 25 | 25 | 25 |
| int. | 30 | 30 | 30 | 30 | 30 | 30 | 30 | 30 | |
| Weight (kg) | 9.8 | 10 | 10.3 | 10.7 | 11.1 | 11.6 | 12.3 | 12.6 | |
► Application
Gerotor Hydraulic Motor BMS Series widely applied in
1. Agriculture machinery
2. Fishing machinery
3. Plastic industry
4. Mining
5. Construction machinery
| Model | L | L1 | L2 |
| BMS-80 | 167 | 13 | 123.2 |
| BMS-100 | 171 | 17 | 127.2 |
| BMS-125 | 176 | 22 | 132.2 |
| BMS-160 | 181.5 | 27.5 | 137.7 |
| BMS-200 | 189 | 35.1 | 145.2 |
| BMS-250 | 201 | 47 | 157.2 |
| BMS-315 | 213 | 59 | 169.2 |
| BMS-375 | 225 | 71 | 181.2 |
| Model | L | L1 | L2 |
| BMS-80-W | 129.4 | 13 | 86 |
| BMS-100-W | 133.4 | 17 | 90 |
| BMS-125-W | 138.4 | 22 | 95 |
| BMS-160-W | 143.9 | 27.5 | 100.5 |
| BMS-200-W | 151.4 | 35.1 | 108 |
| BMS-250-W | 163.4 | 47 | 120 |
| BMS-315-W | 175.4 | 59 | 132 |
| BMS-375-W | 187.4 | 71 | 144 |
| Mounting Code | D (depth) | M (depth) | S (depth) | P (depth) |
| P(A,B) | G1/2(18) | M22x1.5(18) | 7/8-14 O-ring (18) | 1/2-14NPTF (15) |
| T | G1/4(12) | M14x1.5(12) | 7/16-20UNF(12) | 7/16-20UNF(12) |
| C | 2-M10(13) | 2-M10 (13) | 2-3/8-16UNC (13) | 2-3/8-16UNC (13) |