| Availability: | |
|---|---|
| Quantity: | |
BMSY-250-W-FD-D
Xeriwell or Others
BMSY-250-W-FD-D, China Factory, BMSY series Hydraulic Orbit Motor Supplier
Welcome!
Hydraulic Motor manufacturer from China specializes in high performance bidirectional hydraulic motors for
mixing, sweeping, lifting, conveying and various applications.
Partners include OEM, hydraulic importers, hydraulic distributors
Please see product introduction below:
BMSY-250-W-FD-D
| displacement | 250ml/r |
| flange | 4-13.5 wheel Mount |
| ports | G1/2 Manifold Mount 2-M10,G1/4 |
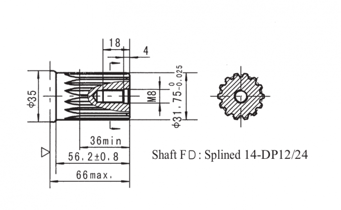
| output shaft | Long Shaft O31.75, splined key 14-DP12/24 |
| rotation | CW and CCW |
| paint | black |
Main Specifications:
| Type | BMSY BMSE 80 | BMSY BMSE 100 | BMSY BMSE 125 | BMSY BMSE 160 | BMSY BMSE 200 | BMSY BMSE 250 | BMSY BMSE 315 | BMSY BMSE 375 | |
| Geometric displacement (cm3 /rev.) | 80.6 | 100.8 | 125 | 157.2 | 200 | 252 | 314.5 | 370 | |
| Max. speed (rpm) | cont. | 800 | 748 | 600 | 470 | 375 | 300 | 240 | 200 |
| int. | 988 | 900 | 720 | 560 | 450 | 360 | 280 | 240 | |
| Max. torque (N·m) | cont. | 190 | 240 | 310 | 316 | 400 | 450 | 560 | 536 |
| int. | 240 | 300 | 370 | 430 | 466 | 540 | 658 | 645 | |
| peak | 260 | 320 | 400 | 472 | 650 | 690 | 740 | 751 | |
| Max. output (kW) | cont. | 15.9 | 18.8 | 19.5 | 15.6 | 15.7 | 14.1 | 14.1 | 11.8 |
| int. | 20.1 | 23.5 | 23.2 | 21.2 | 18.3 | 17 | 18.9 | 17 | |
| Max. pressure drop (MPa) | cont. | 17.5 | 17.5 | 17.5 | 15 | 14 | 12.5 | 12 | 10 |
| int. | 21 | 21 | 21 | 21 | 16 | 16 | 14 | 12 | |
| peak | 22.5 | 22.5 | 22.5 | 22.5 | 22.5 | 20 | 18.5 | 14 | |
| Max. flow (L/min) | cont. | 65 | 75 | 75 | 75 | 75 | 75 | 75 | 75 |
| int. | 80 | 90 | 90 | 90 | 90 | 90 | 90 | 90 | |
| Max. inlet pressure (MPa) | cont. | 25 | 25 | 25 | 25 | 25 | 25 | 25 | 25 |
| int. | 30 | 30 | 30 | 30 | 30 | 30 | 30 | 30 | |
| Weight (kg) | 9.8 | 10 | 10.3 | 10.7 | 11.1 | 11.6 | 12.3 | 12.6 | |
* Continuous pressure :Max. value of operating motor continuously.
* Intermittent pressure :Max. value of operating motor in 6 seconds per minute.
* Peak pressure:Max. value of operating motor in 0.6 second per minute.
Mounting size of : BMSY-250-W-FD-D
XeriWell is a dedicated provider of hydraulic products, specializing in hydraulic motors, pumps, components, and complete hydraulic systems. Positioned as a trusted supplier to the global market, we focus on delivering innovative and reliable hydraulic solutions that meet the highest standards. With a commitment to serving clients worldwide, XeriWell provides tailored solutions that address the unique hydraulic needs of any region, supporting industries with high-quality, dependable performance.
At XeriWell, we bring extensive expertise to the hydraulic industry, grounded in a deep understanding of industry standards and certifications that ensure top-quality products and services. Our team of specialized hydraulic engineers is well-versed in international standards, rigorously following certifications and guidelines to meet diverse market requirements. With an average of over 10 years of experience, our professionals have the knowledge to handle complex projects and offer fully customizable solutions.
XeriWell offers a comprehensive range of hydraulic products, including hydraulic motors, pumps, components, complete hydraulic systems, and various other hydraulic parts to meet diverse industry needs. In addition to our extensive product line, we provide tailored hydraulic system solutions, designed to meet each client's unique specifications. Our customization services save clients valuable time by eliminating the need to source multiple suppliers, delivering fully integrated and efficient solutions for their hydraulic applications.
XeriWell's core competitive advantage lies in our technical expertise. Unlike standard suppliers, we are a technology-driven company focused not only on sourcing high-quality hydraulic products but also on offering strategic guidance and expert recommendations to our clients. This technical strength, combined with our comprehensive product range and customization capabilities, allows us to deliver hydraulic solutions that truly add value and meet the specific needs of a global clientele.
At XeriWell, our vision is to be a leading global provider of innovative and reliable hydraulic solutions that drive industry progress and customer success. We are committed to excellence, integrity, and customer-centric service, valuing strong partnerships and continuous improvement. Our goal is to empower our clients by delivering high-quality, tailored solutions that meet evolving industry demands, fostering a future where hydraulic technology is seamlessly integrated, efficient, and sustainable for all.
At XeriWell, we offer a comprehensive range of hydraulic components, including hydraulic motors, pumps, accessories, valves and more, with options for both original and high-quality domestic alternatives. Backed by a robust supply chain, we are able to meet the vast majority of our clients'procurement needs, from standard models to non-standard and even discontinued products. Additionally, we provide fully customized services and solutions tailored to specific requirements, ensuring clients receive precisely the products and configurations needed for optimal performance. Our commitment to flexibility and reliability makes XeriWell a trusted partner for all hydraulic sourcing and customization needs.
Ningbo Machine Hardware
Ningbo Engineering & Construction Machinery
Ningbo Cutting Machine
Ningbo Pipe Fittings
Ningbo Apparel
Ningbo Auto Parts & Accessories
Ningbo Stationery
Zhedong Valve
BMSY-250-W-FD-D, China Factory, BMSY series Hydraulic Orbit Motor Supplier
Welcome!
Hydraulic Motor manufacturer from China specializes in high performance bidirectional hydraulic motors for
mixing, sweeping, lifting, conveying and various applications.
Partners include OEM, hydraulic importers, hydraulic distributors
Please see product introduction below:
BMSY-250-W-FD-D
| displacement | 250ml/r |
| flange | 4-13.5 wheel Mount |
| ports | G1/2 Manifold Mount 2-M10,G1/4 |
| output shaft | Long Shaft O31.75, splined key 14-DP12/24 |
| rotation | CW and CCW |
| paint | black |
Main Specifications:
| Type | BMSY BMSE 80 | BMSY BMSE 100 | BMSY BMSE 125 | BMSY BMSE 160 | BMSY BMSE 200 | BMSY BMSE 250 | BMSY BMSE 315 | BMSY BMSE 375 | |
| Geometric displacement (cm3 /rev.) | 80.6 | 100.8 | 125 | 157.2 | 200 | 252 | 314.5 | 370 | |
| Max. speed (rpm) | cont. | 800 | 748 | 600 | 470 | 375 | 300 | 240 | 200 |
| int. | 988 | 900 | 720 | 560 | 450 | 360 | 280 | 240 | |
| Max. torque (N·m) | cont. | 190 | 240 | 310 | 316 | 400 | 450 | 560 | 536 |
| int. | 240 | 300 | 370 | 430 | 466 | 540 | 658 | 645 | |
| peak | 260 | 320 | 400 | 472 | 650 | 690 | 740 | 751 | |
| Max. output (kW) | cont. | 15.9 | 18.8 | 19.5 | 15.6 | 15.7 | 14.1 | 14.1 | 11.8 |
| int. | 20.1 | 23.5 | 23.2 | 21.2 | 18.3 | 17 | 18.9 | 17 | |
| Max. pressure drop (MPa) | cont. | 17.5 | 17.5 | 17.5 | 15 | 14 | 12.5 | 12 | 10 |
| int. | 21 | 21 | 21 | 21 | 16 | 16 | 14 | 12 | |
| peak | 22.5 | 22.5 | 22.5 | 22.5 | 22.5 | 20 | 18.5 | 14 | |
| Max. flow (L/min) | cont. | 65 | 75 | 75 | 75 | 75 | 75 | 75 | 75 |
| int. | 80 | 90 | 90 | 90 | 90 | 90 | 90 | 90 | |
| Max. inlet pressure (MPa) | cont. | 25 | 25 | 25 | 25 | 25 | 25 | 25 | 25 |
| int. | 30 | 30 | 30 | 30 | 30 | 30 | 30 | 30 | |
| Weight (kg) | 9.8 | 10 | 10.3 | 10.7 | 11.1 | 11.6 | 12.3 | 12.6 | |
* Continuous pressure :Max. value of operating motor continuously.
* Intermittent pressure :Max. value of operating motor in 6 seconds per minute.
* Peak pressure:Max. value of operating motor in 0.6 second per minute.
Mounting size of : BMSY-250-W-FD-D
XeriWell is a dedicated provider of hydraulic products, specializing in hydraulic motors, pumps, components, and complete hydraulic systems. Positioned as a trusted supplier to the global market, we focus on delivering innovative and reliable hydraulic solutions that meet the highest standards. With a commitment to serving clients worldwide, XeriWell provides tailored solutions that address the unique hydraulic needs of any region, supporting industries with high-quality, dependable performance.
At XeriWell, we bring extensive expertise to the hydraulic industry, grounded in a deep understanding of industry standards and certifications that ensure top-quality products and services. Our team of specialized hydraulic engineers is well-versed in international standards, rigorously following certifications and guidelines to meet diverse market requirements. With an average of over 10 years of experience, our professionals have the knowledge to handle complex projects and offer fully customizable solutions.
XeriWell offers a comprehensive range of hydraulic products, including hydraulic motors, pumps, components, complete hydraulic systems, and various other hydraulic parts to meet diverse industry needs. In addition to our extensive product line, we provide tailored hydraulic system solutions, designed to meet each client's unique specifications. Our customization services save clients valuable time by eliminating the need to source multiple suppliers, delivering fully integrated and efficient solutions for their hydraulic applications.
XeriWell's core competitive advantage lies in our technical expertise. Unlike standard suppliers, we are a technology-driven company focused not only on sourcing high-quality hydraulic products but also on offering strategic guidance and expert recommendations to our clients. This technical strength, combined with our comprehensive product range and customization capabilities, allows us to deliver hydraulic solutions that truly add value and meet the specific needs of a global clientele.
At XeriWell, our vision is to be a leading global provider of innovative and reliable hydraulic solutions that drive industry progress and customer success. We are committed to excellence, integrity, and customer-centric service, valuing strong partnerships and continuous improvement. Our goal is to empower our clients by delivering high-quality, tailored solutions that meet evolving industry demands, fostering a future where hydraulic technology is seamlessly integrated, efficient, and sustainable for all.
At XeriWell, we offer a comprehensive range of hydraulic components, including hydraulic motors, pumps, accessories, valves and more, with options for both original and high-quality domestic alternatives. Backed by a robust supply chain, we are able to meet the vast majority of our clients'procurement needs, from standard models to non-standard and even discontinued products. Additionally, we provide fully customized services and solutions tailored to specific requirements, ensuring clients receive precisely the products and configurations needed for optimal performance. Our commitment to flexibility and reliability makes XeriWell a trusted partner for all hydraulic sourcing and customization needs.
Ningbo Machine Hardware
Ningbo Engineering & Construction Machinery
Ningbo Cutting Machine
Ningbo Pipe Fittings
Ningbo Apparel
Ningbo Auto Parts & Accessories
Ningbo Stationery
Zhedong Valve