| Availability: | |
|---|---|
| Quantity: | |
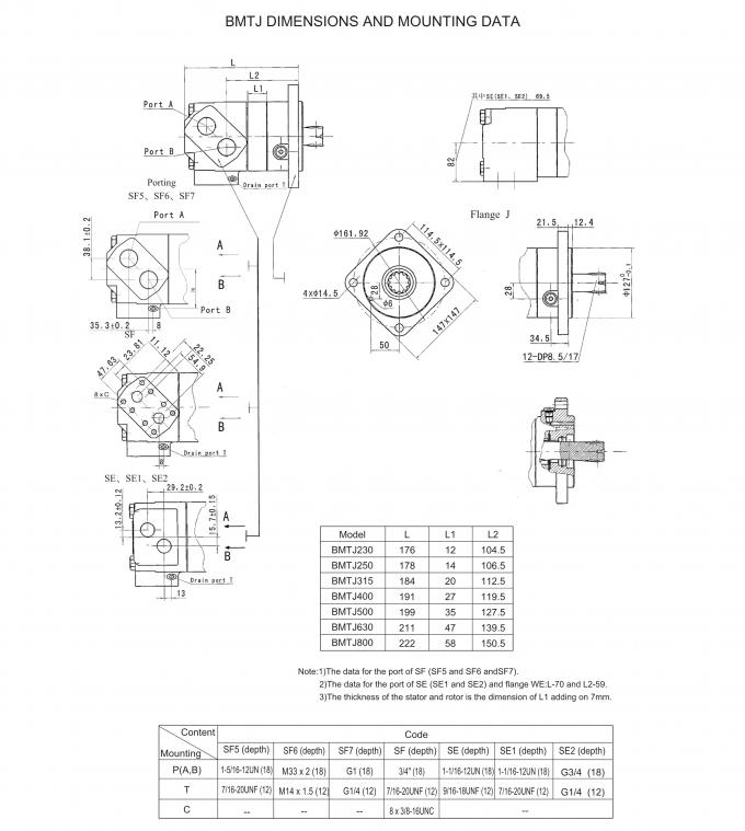
BMTJ
Xeriwell or Others
| Item: | LSHT Motors | Type: | Bearingless Motor |
|---|---|---|---|
| Series: | Charlynn 6000 | Displacement: | 230 Cm3/r |
| Application: | Skid Steer | Replacement Series: | OMT, MT 104- |
| Highlight: | Char Lynn geroler hydraulic motor,geroler hydraulic motor 114-1064-006,Char Lynn geroler motor | ||
The bearingless hydraulic motor has the same drive components as the standard motor and wheel motor except that there is no output shaft and bearing housing. This type of motor is particularly suitable for gearbox drives. When using a bearingless motor, it must be considered that the internal spline shaft supported by the bearing is matched to the spline shaft of the motor.
This bearingless hydraulic motor is a kind of end-face and flow cycloid hydraulic motor. The design of the advanced mounted type fixed rotor parameters has the same output torque with high work efficiency, high work pressure, low starting pressure, stable operation and two-way access.
When designing a product, using this hydraulic motor can save a considerable amount of money.
The following is the introduction of the product:
| Model number: | BMTJ-230-JSF5 |
| Geometric displacement (cm3 /rev.) | 232.5 |
| Max. speed (rpm) | cont. 536 int. 643 |
| Max. torque (N•m) | cont. 670 int. 821 peak 958 |
| Max. flow (L/min) | cont. 125 int. 150 |
Product advantages:
1.This motor adopts advanced rotor parameter design, and it has low pressure, high efficiency and smooth operation.
2.It can withstand higher working pressure and high output torque.
3.The advanced and reliable linkage shaft design enables the motor have a long life.
4.The advanced distribution mechanism design features high flow accuracy and automatic compensation.
5.The motor structure is compact and short, convenient for installation.
6.Motor can be used in series and parallel, and the external drainage tubing should be connected in series.
Application:
This type of shaftless hydraulic motor is mainly used in various mechanical slewing mechanisms such as agriculture, fishery, light industry, lifting and transportation, mining, and engineering machinery.
| Item: | LSHT Motors | Type: | Bearingless Motor |
|---|---|---|---|
| Series: | Charlynn 6000 | Displacement: | 230 Cm3/r |
| Application: | Skid Steer | Replacement Series: | OMT, MT 104- |
| Highlight: | Char Lynn geroler hydraulic motor,geroler hydraulic motor 114-1064-006,Char Lynn geroler motor | ||
The bearingless hydraulic motor has the same drive components as the standard motor and wheel motor except that there is no output shaft and bearing housing. This type of motor is particularly suitable for gearbox drives. When using a bearingless motor, it must be considered that the internal spline shaft supported by the bearing is matched to the spline shaft of the motor.
This bearingless hydraulic motor is a kind of end-face and flow cycloid hydraulic motor. The design of the advanced mounted type fixed rotor parameters has the same output torque with high work efficiency, high work pressure, low starting pressure, stable operation and two-way access.
When designing a product, using this hydraulic motor can save a considerable amount of money.
The following is the introduction of the product:
| Model number: | BMTJ-230-JSF5 |
| Geometric displacement (cm3 /rev.) | 232.5 |
| Max. speed (rpm) | cont. 536 int. 643 |
| Max. torque (N•m) | cont. 670 int. 821 peak 958 |
| Max. flow (L/min) | cont. 125 int. 150 |
Product advantages:
1.This motor adopts advanced rotor parameter design, and it has low pressure, high efficiency and smooth operation.
2.It can withstand higher working pressure and high output torque.
3.The advanced and reliable linkage shaft design enables the motor have a long life.
4.The advanced distribution mechanism design features high flow accuracy and automatic compensation.
5.The motor structure is compact and short, convenient for installation.
6.Motor can be used in series and parallel, and the external drainage tubing should be connected in series.
Application:
This type of shaftless hydraulic motor is mainly used in various mechanical slewing mechanisms such as agriculture, fishery, light industry, lifting and transportation, mining, and engineering machinery.